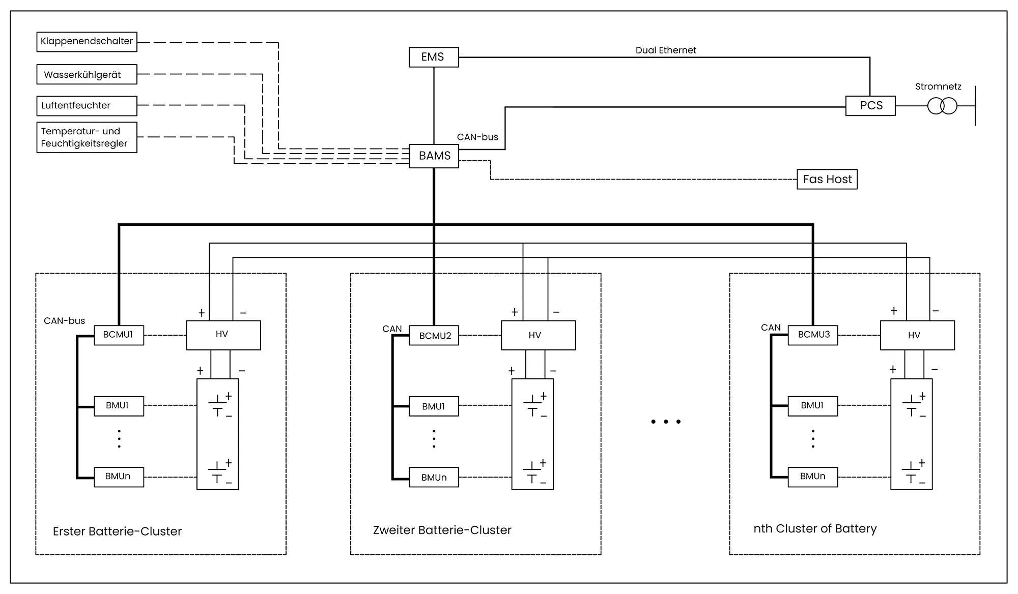
Das Batteriemanagementsystem von Brunstock verfügt über eine dreistufige Architektur (BAMS, BCMU und BMU). Dies bietet dem Batteriesystem Flexibilität, Isolation, bessere Störungsresistenz und mehr als ein Kommunikationsprotokoll. Die Equalisierungstechnologie auf Chip-Ebene sorgt für längere Batterielebensdauer, Sicherheit und Arbeitseffizienz.
Der leistungsstarke 32‑Bit‑MCP (Main Control Processor) nutzt Echtzeitinformationen, um mehrdimensionale Diagnosen bereitzustellen. Er bietet eine mehrstufige BMS‑Sicherheitstechnologie, die hochpräzise Daten unterstützt.
Funktionen
- Datenerfassung und Überwachung von Gesamtspannung, Strom, Zellenspannung und Temperatur
- Fehlererkennung und Schutz des Batteriesystems
- Unterstützung der Isolationsprüfung des Batteriesystems
- Schätzung von SOC, SOH, SOP und SOE des Batteriesystems
- Unterstützung mehrerer Kommunikationsprotokolle, z. B. TCP/IP, CAN, RS485 und USB
- Unterstützung der Datenspeicherung, lokale Speicherung und Schutz der Systembetriebsdaten bei Stromausfall
- Wärmemanagement des Batteriesystems verlängert die Nutzungsdauer des Packs
- Equalisierungstechnologie auf Chip-Ebene
- Unterstützung von Ethernet, CAN und Bootloader-Updates
- Datenüberwachung und Datenanzeige, mindestens 10″ Farbmonitor für Anzeigezwecke
- Batteriesystemdaten und Parametereinstellungen
- Ereignis- und Fehleraufzeichnung für mindestens 30 Tage, unterstützt auch erweiterbare Fernüberwachung der Daten


